Nikoley Опубликовано 14 апреля, 2020 Поделиться Опубликовано 14 апреля, 2020 Закончились транзисторы IRFP360 , те что применяются в этих сварочниках. Перспективы заказа их пока туманны. Но есть пока достаточно FGH40N60SMDF. Есть желание попробовать заменить штатные MOSFET на IGBT. Один раз попробовал, но хлопнули под нагрузкой, более времени не было на опыты, клиент торопил. Частота (42 кГц) , напряжение рабочее, ток рабочий - вроде бы нет препятствий, 8 штук вместо 16 шт. MOSFET вполне хватило бы. Но одну ошибку при замене вроде бы сделал - оставил резисторы в цепи затворов 15 ом.Думаю надо бы от 1 - 5 ом. Есть у кого опыт, соображения? Ссылка на комментарий Поделиться на другие сайты Поделиться
Мастер tehsvar Опубликовано 14 апреля, 2020 Мастер Поделиться Опубликовано 14 апреля, 2020 Если только драйвера ставить на раскачку микрушные.Ёмкость затвора выше, ток туда ввалить надо больше. И уровень напруги поднять. Там он около 8 вольт в оригинале вроде.Максимум 10. А ИЖБеТу нужно примерно 15. Следовательно и эту напругу надо поднять. 5 Ссылка на комментарий Поделиться на другие сайты Поделиться
gonta Опубликовано 15 апреля, 2020 Поделиться Опубликовано 15 апреля, 2020 (изменено) @Nikoley,А стоит ли колхозить?Что у чинцев, что на "чип и дип" мосфетов овермного.Ну допустим драйвера переколхозишь, резисторы подберешь.Есть время на проведение испытаний во всем диапазоне токов и допиливание в процессе?Тем более IGBT дороже, а надежнее ли... Изменено 15 апреля, 2020 пользователем gonta Ссылка на комментарий Поделиться на другие сайты Поделиться
Nikoley Опубликовано 15 апреля, 2020 Автор Поделиться Опубликовано 15 апреля, 2020 Спасибо за ответы!Это у меня антикризисные мероприятия. В нормальной ситуации доступ к мосфетам без проблем. Но и слегка шокирует количество одновременно сгоревших транзисторов.Два аппарата хором воткнули в 380 вольт и мои запасы сразу иссякли. Нарыл еще хорошие транзисторы MOSFET - OSG55R030HZFДумаю можно попробовать вместо штатных 16 штук поставить эти 4 штуки.Но - после кризиса.OSG55R030HZF.pdf Ссылка на комментарий Поделиться на другие сайты Поделиться
copich Опубликовано 15 апреля, 2020 Поделиться Опубликовано 15 апреля, 2020 @Nikoley,А стоит ли колхозить?Что у чинцев, что на "чип и дип" мосфетов овермного.Ну допустим драйвера переколхозишь, резисторы подберешь.Есть время на проведение испытаний во всем диапазоне токов и допиливание в процессе?Тем более IGBT дороже, а надежнее ли...@tehsvar, все правильно сказал. Можно оптронные драйвера воткнуть. Как элементарный преобразователь уровня выходного для управления транзисторами. Но возникнет вопрос, от чего запитать. @gonta, испытания не нужны будут. Главное, что заниженная по уровню управа приводит к не стабильному срабатыванию транзисторов, к повышенному переходному сопротивлению, что приводит к перегреву транзистора и взрыву. Алексей это и сказал, что будет и как от этого избавится. Но стоит ли колхозить, это конечно другой вопрос. Если клиенту надо, а других в очереде нет, то можно и попробовать. Но... Параллельное подключение транзисторов не только по току значение повышает но еще и переходное сопротивление будет меньше, следовательно может сказаться связка с трансформатором. Но все это только теоретическое. В телевизорах у меня прокатывало все это и без особых переделок. Но там и токи не такие. Там больше в сторону высоких напряжений все направлено. А если заработает, достаточно на баластнике прогнать например на 100А 10 минут и при положительном исходе, можно выдавать клиенту. Ссылка на комментарий Поделиться на другие сайты Поделиться
dimmar Опубликовано 4 мая, 2020 Поделиться Опубликовано 4 мая, 2020 Актуальный вопрос по замене, после сегодняшнего случая.Сегодня менял 7шт. IRFP360 в Торус-200с. Включил - работает, напряжение на выходе есть, в норме, Чиркнул электродом на минимуме, искра есть, даже дугу зажёг, прибавил ток, чиркнул и бабахнуло 4 из 7-ми заменённых. Внешне транзисторы выглядят идеально, никаких перемаркировок на шлифованном корпусе, никаких отличий по толщине ножек, обратный рисунок металлической подложки соответствует. Самое интересное внутри, а внутри находится полевик в корпусе TO-252. И в магазине побожились, что туфту не возят, стараются только оригиналы, а по этим вообще и не сомневайся. Где брать теперь ХЗ, у нас это единственный магазин в городе, а китайцев заказывать ещё та рулетка. Ссылка на комментарий Поделиться на другие сайты Поделиться
NikOtiN Опубликовано 4 мая, 2020 Поделиться Опубликовано 4 мая, 2020 Думаю вам нужно собрать нагрузочный стенд, чтобы проверять транзисторы перед установкой на плату. А может вообще не в транзисторах дело. Ссылка на комментарий Поделиться на другие сайты Поделиться
copich Опубликовано 4 мая, 2020 Поделиться Опубликовано 4 мая, 2020 Актуальный вопрос по замене, после сегодняшнего случая.Сегодня менял 7шт. IRFP360 в Торус-200с. Включил - работает, напряжение на выходе есть, в норме, Чиркнул электродом на минимуме, искра есть, даже дугу зажёг, прибавил ток, чиркнул и бабахнуло 4 из 7-ми заменённых. Внешне транзисторы выглядят идеально, никаких перемаркировок на шлифованном корпусе, никаких отличий по толщине ножек, обратный рисунок металлической подложки соответствует. Самое интересное внутри, а внутри находится полевик в корпусе TO-252. И в магазине побожились, что туфту не возят, стараются только оригиналы, а по этим вообще и не сомневайся. Где брать теперь ХЗ, у нас это единственный магазин в городе, а китайцев заказывать ещё та рулетка. Осциллограмму снимали? Смотрели что по входам на транзисторах? И как это полевик в корпусе 252-го? Можно фото? Ссылка на комментарий Поделиться на другие сайты Поделиться
dimmar Опубликовано 4 мая, 2020 Поделиться Опубликовано 4 мая, 2020 Осциллограмму снимали? Смотрели что по входам на транзисторах? И как это полевик в корпусе 252-го? Можно фото? C осциллограммой всё в порядке, по входам всё в норме, в этом плане вопросы не актуальны, всё сделано как полагается. Я просто про китайское чудо рассказал. Полевик в корпусе TO-252 припаян на подложку припаяны боковые ноги и на этом бутерброде сформирован корпус TO-247. Позже выложу фото этого ноу-хау. Ссылка на комментарий Поделиться на другие сайты Поделиться
dimmar Опубликовано 4 мая, 2020 Поделиться Опубликовано 4 мая, 2020 Вот оно, "китайское экономическое чудо"!!! Ссылка на комментарий Поделиться на другие сайты Поделиться
copich Опубликовано 4 мая, 2020 Поделиться Опубликовано 4 мая, 2020 @dimmar, не вижу ни чего криминального. 1. новые транзисторы проверить. Если остаются старые, то тестером они должны иметь идентичные параметры при прозвонке. Любые сопротивления или отсутствия должны быть в одном не только пределе но и очень близкие по параметрам. 2. Выпаянные места, проверить на наличие дефектных мест. В плане того, что могут быть оторвавшиеся дорожки или повреждения межслойных пистонов. Следовательно, по мере возможности устранить или продублировать проводами. Но в таком случае, провода должны идти по соответствующим дорожкам, чтобы не получить разную длину проводника. 3. взять осциллограф и посмотреть управляющий сигнал на каждом транзисторе. Конечно для удобства, транзисторов не должно быть. А так же нельзя допустить, чтобы затвор висел в воздухе. При выполнении всех условий, что все соответствует и все должно быть как надо, только после этого можно пробовать в работе источник, т.е. впаивать транзисторы и проверять в работе. Когда транзисторы все на месте, то еще раз проверить контакт всех дорожек и всех ножек транзисторов. Любой затвор повисший в воздухе, будет практически гарантом - взрыва. А так же отклонение управляющего сигнала он нормы, будет так же причиной взрыва. Сильное отклонение транзисторов по своим параметрам, может так же привести к взрыву новоустановленных или старых но вроде бы работающих транзисторов. Проверка тестером, если есть малейшее подозрение - однозначное выкидывание транзистора. Были случаи когда при первичной проверке, транзистор показывал КЗ, но повторный замер, вроде бы как живой. Вот такие ставить нельзя. Если тестером. Если городить стенд, то тут опыта нет, надо смотреть. Бывало, что не работающий транзистор в схеме, после проверки даже без выпаивания, его запускал и он работал. Еще, видел в интернете, у людей, контактные площадки для охлаждения не имели контакта с радиатором, т.е. часть корпуса изолятора выступала и не позволяла транзистору иметь контакт с радиатором. IRFP360 по даташиту, не имеет другого корпусного исполнения. Поэтому я не думаю, что это подделка. По ногам транзистора перед его пайкой, если он новый, можно посмотреть его на качество исполнения. Но даже совсем подозрительные и те ни когда не подводили, если в целом прозванивались как положено. А вот управляющий сигнал, его искажение хотя бы на одном транзисторе, приводило к взрыву. В начале карьеры, не один транзистор таким образом был угроблен. Без осциллографа, вероятность починки 50\50. Каждый канал транзистора нужно подробно проверить тестером, а иногда выпаивать, а иногда только заменой на новую деталь. Осциллограф сокращает время на поиск проблемы но и то не всегда. А тестером в некоторых случая, можно вечность искать проблему. Ссылка на комментарий Поделиться на другие сайты Поделиться
dimmar Опубликовано 4 мая, 2020 Поделиться Опубликовано 4 мая, 2020 (изменено) @dimmar, не вижу ни чего криминального. 1. новые транзисторы проверить. Если остаются старые, то тестером они должны иметь идентичные параметры при прозвонке. Любые сопротивления или отсутствия должны быть в одном не только пределе но и очень близкие по параметрам. 2. Выпаянные места, проверить на наличие дефектных мест. В плане того, что могут быть оторвавшиеся дорожки или повреждения межслойных пистонов. Следовательно, по мере возможности устранить или продублировать проводами. Но в таком случае, провода должны идти по соответствующим дорожкам, чтобы не получить разную длину проводника. 3. взять осциллограф и посмотреть управляющий сигнал на каждом транзисторе. Конечно для удобства, транзисторов не должно быть. А так же нельзя допустить, чтобы затвор висел в воздухе. При выполнении всех условий, что все соответствует и все должно быть как надо, только после этого можно пробовать в работе источник, т.е. впаивать транзисторы и проверять в работе. Когда транзисторы все на месте, то еще раз проверить контакт всех дорожек и всех ножек транзисторов. Любой затвор повисший в воздухе, будет практически гарантом - взрыва. А так же отклонение управляющего сигнала он нормы, будет так же причиной взрыва. Сильное отклонение транзисторов по своим параметрам, может так же привести к взрыву новоустановленных или старых но вроде бы работающих транзисторов. Проверка тестером, если есть малейшее подозрение - однозначное выкидывание транзистора. Были случаи когда при первичной проверке, транзистор показывал КЗ, но повторный замер, вроде бы как живой. Вот такие ставить нельзя. Если тестером. Если городить стенд, то тут опыта нет, надо смотреть. Бывало, что не работающий транзистор в схеме, после проверки даже без выпаивания, его запускал и он работал. Еще, видел в интернете, у людей, контактные площадки для охлаждения не имели контакта с радиатором, т.е. часть корпуса изолятора выступала и не позволяла транзистору иметь контакт с радиатором. IRFP360 по даташиту, не имеет другого корпусного исполнения. Поэтому я не думаю, что это подделка. По ногам транзистора перед его пайкой, если он новый, можно посмотреть его на качество исполнения. Но даже совсем подозрительные и те ни когда не подводили, если в целом прозванивались как положено. А вот управляющий сигнал, его искажение хотя бы на одном транзисторе, приводило к взрыву. В начале карьеры, не один транзистор таким образом был угроблен. Без осциллографа, вероятность починки 50\50. Каждый канал транзистора нужно подробно проверить тестером, а иногда выпаивать, а иногда только заменой на новую деталь. Осциллограф сокращает время на поиск проблемы но и то не всегда. А тестером в некоторых случая, можно вечность искать проблему. Ты смеёшься что ли, ничего криминального? В корпус одного транзистора китайцы вставили какой-то маломощный полевик, и ничего криминального? Тебе внутренности оригинала показать? Да, и мне не надо рассказывать, как ремонтировать инверторы, я их уже много лет ремонтирую. Изменено 4 мая, 2020 пользователем dimmar Ссылка на комментарий Поделиться на другие сайты Поделиться
dimmar Опубликовано 4 мая, 2020 Поделиться Опубликовано 4 мая, 2020 (изменено) Вот так выглядит кристалл оригинального транзистора. Если кто не увидит криминала, поясняю, кристалл оригинала в 6 раз больше китайского чуда. Изменено 4 мая, 2020 пользователем dimmar Ссылка на комментарий Поделиться на другие сайты Поделиться
copich Опубликовано 4 мая, 2020 Поделиться Опубликовано 4 мая, 2020 @dimmar,@dimmar, не надо мне ТЫкать. Если магаз один, а у китайцев рулетка, то "дело швах". Ссылка на комментарий Поделиться на другие сайты Поделиться
dimmar Опубликовано 4 мая, 2020 Поделиться Опубликовано 4 мая, 2020 @dimmar,@dimmar, не надо мне ТЫкать. Если магаз один, а у китайцев рулетка, то "дело швах". Приношу свои извинения, если обидел фамильярностью. А транзисторы будем искать, недавно на Али, прежде. чем нашёл оригинальные FGH60N60 перечитал отзывы по этой позиции, наверное магазинов 30. Ссылка на комментарий Поделиться на другие сайты Поделиться
Nikoley Опубликовано 12 мая, 2020 Автор Поделиться Опубликовано 12 мая, 2020 (изменено) Да, есть такое - я перед Новым годом сотню 360-х купил левых. Бабахают! Сейчас валяются без дела, применить слабые, но в корпусе 247 особо некуда при ремонте сварочников.Проверю на рабочее напряжение да на БП пущу. На АЛИ таких фокусов много потому давно не работаю с АЛИ.С нашей торговлей еще хуже: и дороже и хламу тоже достаточно.Работаю с продавцами из Китая через посредника китайца.Посредник там на месте уже может права качать если что. А транзисторы что получил, зависли. Из за короны права качать уже поздно. Изменено 12 мая, 2020 пользователем Nikoley Ссылка на комментарий Поделиться на другие сайты Поделиться
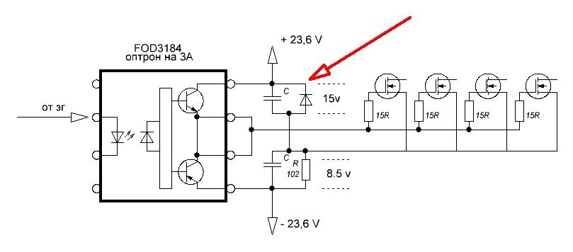
Nikoley Опубликовано 17 октября, 2025 Автор Поделиться Опубликовано 17 октября, 2025 (изменено) Опять проблема с ТОРУС 255. Сейчас на столе другая модификация - драйвера на оптронах FOD3184. В общем ничего особого в аппарате , лечится. Напрягает только то, что по 16 штук транзисторов IRFP360 менять приходится. Но столкнулся с одним непонятным эффектом: После опторона до затворов транзисторов стоит простенькая схема, как понимаю - сдвиг напряжения. Там 4 детали : 2 конденсатора, резистор 1К и стабилитрон. Схему срисовал и приложил, заводской схемы не нашел. В исправном плече замерил напряжение на стабилитроне - 15 вольт. Но вот прозвонить остальные стабилитроны, еще три, не получилось - при прикосновении щупами к детали первый раз показывает диод, второй раз - уже к.з. Отсюда в мыслях суматоха - а что реально там стоит? Стабилитрон или какой то особо деликатный элемент который выходит из строя при малейшем прикосновении? Кто в курсе, у кого есть схема или опыт общения то прошу просветить. А то как то нет желания палить транзисторы десятками, Изменено 17 октября, 2025 пользователем Nikoley ошибки Ссылка на комментарий Поделиться на другие сайты Поделиться
Nikoley Опубликовано 21 октября, 2025 Автор Поделиться Опубликовано 21 октября, 2025 Поступил в ремонт еще один ТОРУС 255. Выполнен по почти похожей схеме, но уже на транзисторах IGBT. На рисунке схемы драйверов обеих вариантов. 2 1 Ссылка на комментарий Поделиться на другие сайты Поделиться
Рекомендуемые сообщения
Для публикации сообщений создайте учётную запись или авторизуйтесь
Вы должны быть пользователем, чтобы оставить комментарий
Создать учетную запись
Зарегистрируйте новую учётную запись в нашем сообществе. Это очень просто!
Регистрация нового пользователяВойти
Уже есть аккаунт? Войти в систему.
Войти